欢迎来到电子微帮帮!
保存到桌面
快速发布信息
修改/删除信息
手机浏览
免费发布信息
信息
商家
资讯
商品
信息分类
外发加工
电子外发加工
注塑外发加工
印刷印花外喷涂发加工
手工活外发
平车服装箱包外发加工
机械外发加工
饰品工艺品外发加工
采购信息
承接加工
承接电子加工
承接注塑加工
承接印刷印花喷涂加工
承接手工活加工
承接平车服装箱包加工
承接饰品工艺品加工
承接机械加工
出售
转让出售
工厂转让
设备转让
产品出售
房屋出租
房屋出租
厂房出租
求租房屋
库存信息
收库存
卖库存
首页
外发加工
承接加工
开通会员
微信访问
资讯
当前位置:
电子微帮帮
>
外发加工
>
采购信息
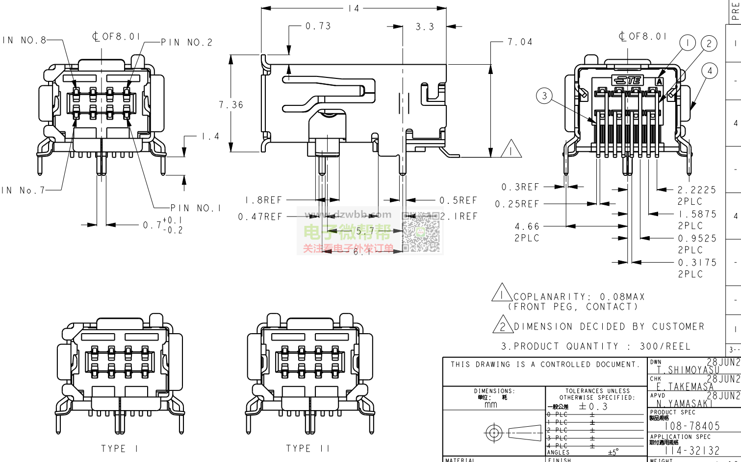
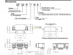
如图两款连接器,月用量各10000套,
分享
|
2024-08-07 11:11:17发布
次浏览
信息编号:99160
置顶
收藏
|
删除
|
修改
|
举报
|
地址:
宝安区
该信息已过期,联系方式已被隐藏!
信息详情
如图两款连接器,月用量各10000套,能做的联系我,JAE: DF02R050NA2
联系我时,请说是在电子微帮帮看到的,谢谢!
您可能感兴趣
卧式冷冻柜和立式冷藏展示柜,出口英国!
卧式冷冻柜和立式冷藏展示柜,出口英国!透明玻璃门,用于商店,款式和外观无要求,英规插头240V
04-24
小批试产10000米,可以每3000米分批分交,后续长期合作
小批试产10000米,可以每3000米分批分交,后续长期合作!外直经5mm黄色的PVC管,4mm内径,壁厚0.
04-24
二合一无线充带充电宝功能,数量按照300-500-1000套
二合一无线充带充电宝功能,数量按照300-500-1000套!
04-24
分体式无线充电宝,数量按照300-500-1000报价!
分体式无线充电宝,数量按照300-500-1000报价!厂家请联系
04-24
手机充电宝, 数量300-500-1000套报价!
手机充电宝,数量300-500-1000套报价!带磁吸和放卡片功能
04-24
双层A母生产厂家请联系,急购100000个!
双层A母生产厂家请联系,急购100000个!
04-24
查看更多
小贴士:本页信息由用户及第三方发布,真实性、合法性由发布人负责,请仔细甄别。
相关分类
电子外发加工
注塑外发加工
印刷印花外喷涂发加工
手工活外发
平车服装箱包外发加工
机械外发加工
饰品工艺品外发加工
采购信息