欢迎来到电子微帮帮!
保存到桌面
快速发布信息
修改/删除信息
手机浏览
免费发布信息
信息
商家
资讯
商品
信息分类
外发加工
电子外发加工
注塑外发加工
印刷印花外喷涂发加工
手工活外发
平车服装箱包外发加工
机械外发加工
饰品工艺品外发加工
采购信息
承接加工
承接电子加工
承接注塑加工
承接印刷印花喷涂加工
承接手工活加工
承接平车服装箱包加工
承接饰品工艺品加工
承接机械加工
出售
转让出售
工厂转让
设备转让
产品出售
房屋出租
房屋出租
厂房出租
求租房屋
库存信息
收库存
卖库存
首页
外发加工
承接加工
开通会员
微信访问
资讯
当前位置:
电子微帮帮
>
外发加工
>
采购信息
寻找海绵厂家,月/5000个,长期合作
分享
|
2024-05-11 08:36:15发布
次浏览
信息编号:96116
置顶
收藏
|
删除
|
修改
|
举报
|
地址:
宝安区
该信息已过期,联系方式已被隐藏!
信息详情
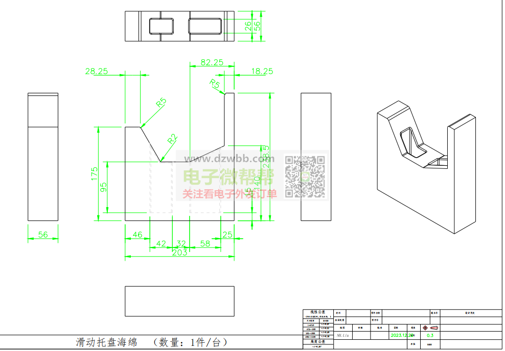
寻找海绵厂家,月/5000个,长期合作,硬度25-35度的海绵,挤出发泡工艺 首单3000个,月/5000个
联系我时,请说是在电子微帮帮看到的,谢谢!
您可能感兴趣
求购如图数据线,QTY:6000条!
求购如图数据线,QTY:6000条!欢迎自荐推荐!!有货有资源的请滴滴TKS!!!
01-17
订单100000个,如图手电筒弹簧!
订单100000个,如图手电筒弹簧!材质弹簧钢,并打样确认,弹簧:高度15.5,尾部直径5.10,最宽8mm,线
01-17
数字传感器厂家请联系,试产10000个!
数字传感器厂家请联系,试产10000个!
01-17
如图数码管的屏,各需60000个!
如图数码管的屏,各需60000个!每月都不低于这个量,价优的请联系
01-17
做电子Y的厂商请联系,要有Y草局备案!
做电子Y的厂商请联系,要有Y草局备案!产品能出口过海关,我们做外贸的
01-17
订单10000条,厂家请联系!
订单10000条,厂家请联系!线材整体长度600MM,外径6.25NN17支,单支0.6MM,,胶壳2..54-10P黑
01-17
查看更多
小贴士:本页信息由用户及第三方发布,真实性、合法性由发布人负责,请仔细甄别。
相关分类
电子外发加工
注塑外发加工
印刷印花外喷涂发加工
手工活外发
平车服装箱包外发加工
机械外发加工
饰品工艺品外发加工
采购信息