欢迎来到电子微帮帮!
保存到桌面
快速发布信息
修改/删除信息
手机浏览
免费发布信息
信息
商家
资讯
商品
信息分类
外发加工
电子外发加工
注塑外发加工
印刷印花外喷涂发加工
手工活外发
平车服装箱包外发加工
机械外发加工
饰品工艺品外发加工
采购信息
承接加工
承接电子加工
承接注塑加工
承接印刷印花喷涂加工
承接手工活加工
承接平车服装箱包加工
承接饰品工艺品加工
承接机械加工
出售
转让出售
工厂转让
设备转让
产品出售
房屋出租
房屋出租
厂房出租
求租房屋
库存信息
收库存
卖库存
首页
外发加工
承接加工
开通会员
微信访问
资讯
当前位置:
电子微帮帮
>
外发加工
>
采购信息
能做高端产品的机加工厂家速来洽谈!每月5万套
分享
|
2024-04-13 17:17:04发布
次浏览
信息编号:95203
置顶
收藏
|
删除
|
修改
|
举报
|
地址:
宝安区
该信息已过期,联系方式已被隐藏!
信息详情
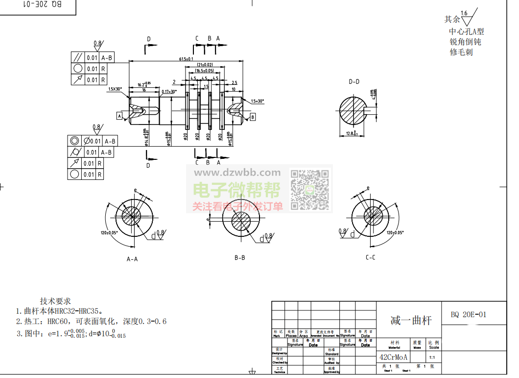
能做高端产品的机加工厂家速来洽谈!每月5万套。只要广东的
联系我时,请说是在电子微帮帮看到的,谢谢!
您可能感兴趣
需求类似款欧规,单A口+带伸缩线的外壳,先要7000套!
需求类似款欧规,单A口+带伸缩线的外壳,先要7000套!
04-26
月用量100万,如图咪头,长期采购!
月用量100万,如图咪头,长期采购!有优势的请联系
04-25
急购10000套,503040 450毫安的电池!
急购10000套,503040450毫安的电池!型号和容量都要一样的
04-25
急购10kk,如图骨架!
急购10kk,如图骨架!
04-25
能做这类太阳能户外壁灯的工厂速联系,金属材质!
能做这类太阳能户外壁灯的工厂速联系,金属材质!
04-25
求购如图硅胶磁吸吸盘,数量4800套!
求购如图硅胶磁吸吸盘,数量4800套!欢迎自荐推荐!!有货有资源的请滴滴TKS!!!
04-25
查看更多
小贴士:本页信息由用户及第三方发布,真实性、合法性由发布人负责,请仔细甄别。
相关分类
电子外发加工
注塑外发加工
印刷印花外喷涂发加工
手工活外发
平车服装箱包外发加工
机械外发加工
饰品工艺品外发加工
采购信息