欢迎来到电子微帮帮!
保存到桌面
快速发布信息
修改/删除信息
手机浏览
免费发布信息
信息
商家
资讯
商品
信息分类
外发加工
电子外发加工
注塑外发加工
印刷印花外喷涂发加工
手工活外发
平车服装箱包外发加工
机械外发加工
饰品工艺品外发加工
采购信息
承接加工
承接电子加工
承接注塑加工
承接印刷印花喷涂加工
承接手工活加工
承接平车服装箱包加工
承接饰品工艺品加工
承接机械加工
出售
转让出售
工厂转让
设备转让
产品出售
房屋出租
房屋出租
厂房出租
求租房屋
库存信息
收库存
卖库存
首页
外发加工
承接加工
开通会员
微信访问
资讯
当前位置:
电子微帮帮
>
外发加工
>
采购信息
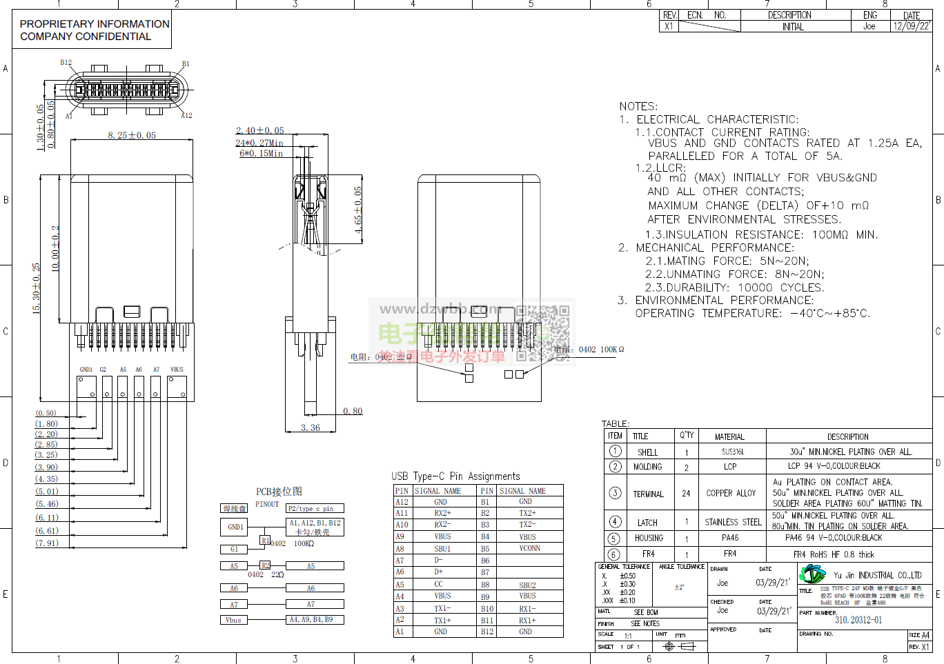
寻找这款产品,直伸款,带板总长15.3,
分享
|
2022-12-09 15:38:33发布
次浏览
信息编号:88558
置顶
收藏
|
删除
|
修改
|
举报
|
地址:
宝安区
该信息已过期,联系方式已被隐藏!
信息详情
寻找这款产品,直伸款,带板总长15.3,线路按上面,24PIN 镀金G/F ,电流3A 盐雾48H 环保 RoHS2.0 REACH 公头,有做这款的请加我微信
联系我时,请说是在电子微帮帮看到的,谢谢!
您可能感兴趣
现金求购铝壳电池484461AR1000A品,12500个,
现金求购铝壳电池484461AR1000A品,12500个,要现货!
04-30
寻找如图这款壳子或成品,60000套!
寻找如图这款壳子或成品,60000套!
04-30
寻微软Surface Pro3 笔记本充电器和Surface
寻微软SurfacePro3笔记本充电器和Surface磁吸充电线!有做的老板请联系,线材厂做Surface
04-30
飞靶游戏,做过的工厂请联系!
飞靶游戏,做过的工厂请联系!需报价,数量按照定制logo起订量
04-30
如图2款壳料,各需5000套!
如图2款壳料,各需5000套!
04-30
做这个认证的联系我,看图 ,非诚勿扰!
做这个认证的联系我,看图,非诚勿扰!
04-30
查看更多
小贴士:本页信息由用户及第三方发布,真实性、合法性由发布人负责,请仔细甄别。
相关分类
电子外发加工
注塑外发加工
印刷印花外喷涂发加工
手工活外发
平车服装箱包外发加工
机械外发加工
饰品工艺品外发加工
采购信息