欢迎来到电子微帮帮!
保存到桌面
快速发布信息
修改/删除信息
手机浏览
免费发布信息
信息
商家
资讯
商品
信息分类
外发加工
电子外发加工
注塑外发加工
印刷印花外喷涂发加工
手工活外发
平车服装箱包外发加工
机械外发加工
饰品工艺品外发加工
采购信息
承接加工
承接电子加工
承接注塑加工
承接印刷印花喷涂加工
承接手工活加工
承接平车服装箱包加工
承接饰品工艺品加工
承接机械加工
出售
转让出售
工厂转让
设备转让
产品出售
房屋出租
房屋出租
厂房出租
求租房屋
库存信息
收库存
卖库存
首页
外发加工
承接加工
开通会员
微信访问
资讯
当前位置:
电子微帮帮
>
外发加工
>
采购信息
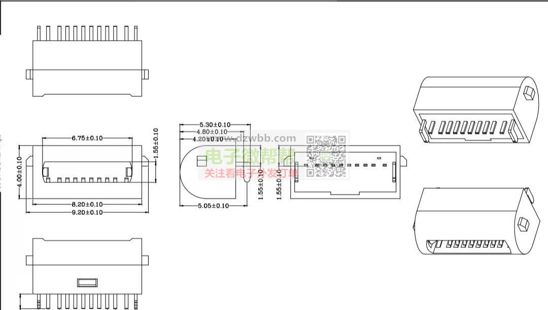
找则插苹果母座,白胶过高温回流焊,尺寸如
分享
|
2022-06-25 08:22:20发布
次浏览
信息编号:85664
置顶
收藏
|
删除
|
修改
|
举报
|
地址:
宝安区
该信息已过期,联系方式已被隐藏!
信息详情
找则插苹果母座,白胶过高温回流焊,尺寸如下图,有做的厂家请联系
联系我时,请说是在电子微帮帮看到的,谢谢!
您可能感兴趣
这个车模谁家工厂有,类似的也可以!
这个车模谁家工厂有,类似的也可以!有的请联系我一下,谢谢
05-02
如图这些产品,做过的工厂请联系我,有单!
如图这些产品,做过的工厂请联系我,有单!
05-02
铝管折叠凳,数量20000个!
铝管折叠凳,数量20000个!源头厂家请联系
05-02
现金求购铝壳电池484461AR1000A品,12500个,
现金求购铝壳电池484461AR1000A品,12500个,要现货!
04-30
寻找如图这款壳子或成品,60000套!
寻找如图这款壳子或成品,60000套!
04-30
寻微软Surface Pro3 笔记本充电器和Surface
寻微软SurfacePro3笔记本充电器和Surface磁吸充电线!有做的老板请联系,线材厂做Surface
04-30
查看更多
小贴士:本页信息由用户及第三方发布,真实性、合法性由发布人负责,请仔细甄别。
相关分类
电子外发加工
注塑外发加工
印刷印花外喷涂发加工
手工活外发
平车服装箱包外发加工
机械外发加工
饰品工艺品外发加工
采购信息