欢迎来到电子微帮帮!
保存到桌面
快速发布信息
修改/删除信息
手机浏览
免费发布信息
信息
商家
资讯
商品
信息分类
外发加工
电子外发加工
注塑外发加工
印刷印花外喷涂发加工
手工活外发
平车服装箱包外发加工
机械外发加工
饰品工艺品外发加工
采购信息
承接加工
承接电子加工
承接注塑加工
承接印刷印花喷涂加工
承接手工活加工
承接平车服装箱包加工
承接饰品工艺品加工
承接机械加工
出售
转让出售
工厂转让
设备转让
产品出售
房屋出租
房屋出租
厂房出租
求租房屋
库存信息
收库存
卖库存
首页
外发加工
承接加工
开通会员
微信访问
资讯
当前位置:
电子微帮帮
>
外发加工
>
采购信息
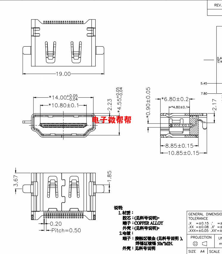
寻type c 16P沉板1.6
分享
|
2021-09-02 09:54:26发布
次浏览
信息编号:79318
置顶
收藏
|
删除
|
修改
|
举报
|
地址:
宝安区
该信息已过期,联系方式已被隐藏!
信息详情
寻type c 16P沉板1.6,这两款工厂
联系我时,请说是在电子微帮帮看到的,谢谢!
您可能感兴趣
有做这款硬盘盒那的老板请联系,OEM定制!
有做这款硬盘盒那的老板请联系,OEM定制!
01-11
量大找供应商,Od3.5,耐拉300公斤50万次!
量大找供应商,Od3.5,耐拉300公斤50万次!
01-11
QTY:3600套,如图伸缩车充!
求购如图伸缩车充,QTY:3600套!专业做伸缩车充的来撩,欢迎自荐推荐!!有货,有资源的请滴滴TKS!!
01-11
求购如图支架数据线,QTY:6000套!
求购如图支架数据线,QTY:6000套!专业做这款线,有性价比,欢迎自荐推荐!!有货.有资源的请滴滴TK
01-11
做这种开关的联系我,量大!
做这种开关的联系我,量大!如图
01-11
有做如图电源类产品的请联系,型号多,总体量还大!
有做如图电源类产品的请联系,型号多,总体量还大!
01-11
查看更多
小贴士:本页信息由用户及第三方发布,真实性、合法性由发布人负责,请仔细甄别。
相关分类
电子外发加工
注塑外发加工
印刷印花外喷涂发加工
手工活外发
平车服装箱包外发加工
机械外发加工
饰品工艺品外发加工
采购信息