欢迎来到电子微帮帮!
保存到桌面
快速发布信息
修改/删除信息
手机浏览
免费发布信息
信息
商家
资讯
商品
信息分类
外发加工
电子外发加工
注塑外发加工
印刷印花外喷涂发加工
手工活外发
平车服装箱包外发加工
机械外发加工
饰品工艺品外发加工
采购信息
承接加工
承接电子加工
承接注塑加工
承接印刷印花喷涂加工
承接手工活加工
承接平车服装箱包加工
承接饰品工艺品加工
承接机械加工
出售
转让出售
工厂转让
设备转让
产品出售
房屋出租
房屋出租
厂房出租
求租房屋
库存信息
收库存
卖库存
首页
外发加工
承接加工
开通会员
微信访问
资讯
当前位置:
电子微帮帮
>
外发加工
>
采购信息
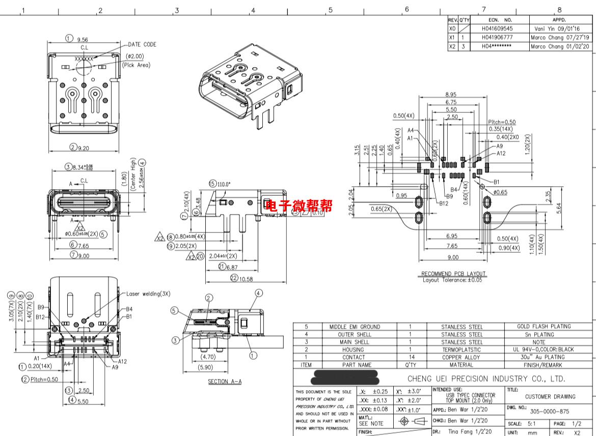
寻专业生产type c 母座厂商,产品需要开模。长单
分享
|
2021-05-28 14:29:55发布
次浏览
信息编号:75613
置顶
收藏
|
删除
|
修改
|
举报
|
地址:
宝安区
该信息已过期,联系方式已被隐藏!
信息详情
寻专业生产type c 母座厂商,产品需要开模。长单 有意的厂家请联系
联系我时,请说是在电子微帮帮看到的,谢谢!
您可能感兴趣
能做这种简约风格的台灯的工厂请联系,出欧洲超市!
能做这种简约风格的台灯的工厂请联系,出欧洲超市!
05-28
电池数量230000只,价格合适马上下单!
电池数量230000只,价格合适马上下单!有货源的朋友请联系,欢迎推荐,感谢。7号1320mAH,英文lo
05-28
10寸96灯珠直播灯,急需8000台!
10寸96灯珠直播灯,急需8000台!
05-28
苹果头和高清HDMI头 ,急购60000套!
苹果头和高清HDMI头,急购60000套!如图所示,要求中间冲压的结合线要一模一样有的请加我微
05-28
谁家有比较新颖的OWS耳机,做杰理7103或7003方案的!
谁家有比较新颖的OWS耳机,做杰理7103或7003方案的!价位30左右,有的联系或推荐一下
05-28
印度三插电源线,需要BIS ,急购500条!
印度三插电源线,需要BIS,急购500条!发货到青岛含税
05-28
查看更多
小贴士:本页信息由用户及第三方发布,真实性、合法性由发布人负责,请仔细甄别。
相关分类
电子外发加工
注塑外发加工
印刷印花外喷涂发加工
手工活外发
平车服装箱包外发加工
机械外发加工
饰品工艺品外发加工
采购信息