欢迎来到电子微帮帮!
保存到桌面
快速发布信息
修改/删除信息
手机浏览
免费发布信息
信息
商家
资讯
商品
信息分类
外发加工
电子外发加工
注塑外发加工
印刷印花外喷涂发加工
手工活外发
平车服装箱包外发加工
机械外发加工
饰品工艺品外发加工
采购信息
承接加工
承接电子加工
承接注塑加工
承接印刷印花喷涂加工
承接手工活加工
承接平车服装箱包加工
承接饰品工艺品加工
承接机械加工
出售
转让出售
工厂转让
设备转让
产品出售
房屋出租
房屋出租
厂房出租
求租房屋
库存信息
收库存
卖库存
首页
外发加工
承接加工
开通会员
微信访问
资讯
当前位置:
电子微帮帮
>
外发加工
>
电子外发加工
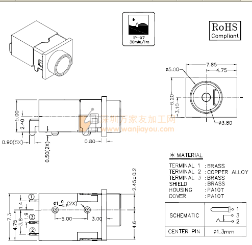
需找有做图款DC母座的厂家
分享
|
2017-05-08 09:12:12发布
次浏览
信息编号:42971
置顶
收藏
|
删除
|
修改
|
举报
|
地址:
宝安区
该信息联系方式已被隐藏,登录后可查看!
信息详情
需找有做图款DC母座的厂家,有能做的请联系我。
联系我时,请说是在电子微帮帮看到的,谢谢!
您可能感兴趣
电子产品组装外发,长期有单!
电子产品组装外发,长期有单!找一个在樟木头的小型加工厂,有意者请联系我
10-07
寻求石湾附近非环保插件加工
石湾周边有非环保插件,产品简单,每天能出二万以上最好,现金批结
10-03
两款机加工产品,国庆期间有闲着机器的厂家请以私信!
两款机加工产品,国庆期间有闲着机器的厂家请以私信!加工地区不限!
10-02
新能源线前处理要外发,每个月2万-3万!
新能源线前处理要外发,每个月2万-3万!地址深圳西乡固戍找能焊锡和能打端子的前处理工厂
09-30
主板后焊外发加工,长期合作!
主板后焊外发加工,长期合作!需要有自己加工厂和波峰焊设备的,地址龙华大浪,附近的联系我微
09-29
焊锡外发:点焊和插件焊锡单,一个月大约150000套!
焊锡外发:点焊和插件焊锡单,一个月大约150000套!长安附近有合适的承接的请联系我
09-29
查看更多
小贴士:本页信息由用户及第三方发布,真实性、合法性由发布人负责,请仔细甄别。
相关分类
电子外发加工
注塑外发加工
印刷印花外喷涂发加工
手工活外发
平车服装箱包外发加工
机械外发加工
饰品工艺品外发加工
采购信息