欢迎来到电子微帮帮!
保存到桌面
快速发布信息
修改/删除信息
手机浏览
免费发布信息
信息
商家
资讯
商品
信息分类
外发加工
电子外发加工
注塑外发加工
印刷印花外喷涂发加工
手工活外发
平车服装箱包外发加工
机械外发加工
饰品工艺品外发加工
采购信息
承接加工
承接电子加工
承接注塑加工
承接印刷印花喷涂加工
承接手工活加工
承接平车服装箱包加工
承接饰品工艺品加工
承接机械加工
出售
转让出售
工厂转让
设备转让
产品出售
房屋出租
房屋出租
厂房出租
求租房屋
库存信息
收库存
卖库存
首页
外发加工
承接加工
开通会员
微信访问
资讯
当前位置:
电子微帮帮
>
外发加工
>
电子外发加工
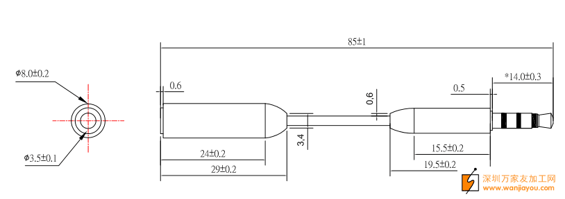
寻找做如图产品的工厂
分享
|
2015-09-07 11:00:25发布
次浏览
信息编号:19910
置顶
收藏
|
删除
|
修改
|
举报
|
地址:
宝安区
该信息联系方式已被隐藏,登录后可查看!
信息详情
寻找做如图产品的工厂,有的联系我
联系我时,请说是在电子微帮帮看到的,谢谢!
您可能感兴趣
电脑音响组装外发加工,量大!
电脑音响组装外发加工,量大!大岭山附近的加工厂请联系
01-22
寻代加工电子产品成品组装厂,有合作!
寻代加工电子产品成品组装厂,有合作!地址坐标要求观澜,龙华,东莞清溪或者凤岗,规模要求工厂
01-22
上门加工:需要上门焊锡3人,可以报价的过来!
上门加工:需要上门焊锡3人,可以报价的过来!在虎门,有意向的可以加微信
01-22
外发加工:外发剪编织.挑铝箔.扭线,现金结算!
外发加工:外发剪编织.挑铝箔.扭线,现金结算!限虎门怀德周边,有空做的老板请致电
01-22
寻:深圳松岗燕川附近10-20人的组装加工厂!
寻:深圳松岗燕川附近10-20人的组装加工厂!主要做领夹麦,扩音器,合适的请联系
01-21
换料单:换个小六脚芯片,数量10000多套!
换料单:换个小六脚芯片,数量10000多套!可上门可外发,地址沙井沙三,
01-21
查看更多
小贴士:本页信息由用户及第三方发布,真实性、合法性由发布人负责,请仔细甄别。
相关分类
电子外发加工
注塑外发加工
印刷印花外喷涂发加工
手工活外发
平车服装箱包外发加工
机械外发加工
饰品工艺品外发加工
采购信息