欢迎来到电子微帮帮!
保存到桌面
快速发布信息
修改/删除信息
手机浏览
免费发布信息
信息
商家
资讯
商品
信息分类
外发加工
电子外发加工
注塑外发加工
印刷印花外喷涂发加工
手工活外发
平车服装箱包外发加工
机械外发加工
饰品工艺品外发加工
采购信息
承接加工
承接电子加工
承接注塑加工
承接印刷印花喷涂加工
承接手工活加工
承接平车服装箱包加工
承接饰品工艺品加工
承接机械加工
出售
转让出售
工厂转让
设备转让
产品出售
房屋出租
房屋出租
厂房出租
求租房屋
库存信息
收库存
卖库存
首页
外发加工
承接加工
开通会员
微信访问
资讯
当前位置:
电子微帮帮
>
外发加工
>
电子外发加工
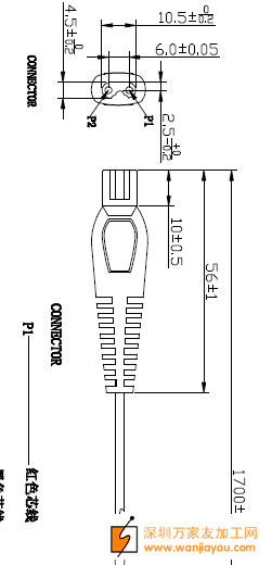
找做如图图纸产品的加工厂
分享
|
2015-08-13 17:16:09发布
次浏览
信息编号:19284
置顶
收藏
|
删除
|
修改
|
举报
|
地址:
宝安区
该信息联系方式已被隐藏,登录后可查看!
信息详情
找做如图图纸产品的加工厂
有意者请联系我详谈!
联系我时,请说是在电子微帮帮看到的,谢谢!
您可能感兴趣
手工活外发,量大!
手工活外发,量大!地址塘厦镇清湖头附近有做等请联系
04-19
大量手工焊锡外发,限长安附近的联系我!
大量手工焊锡外发,限长安附近的联系我!有裁线机,拖芯机设备的联系,没有得勿扰,谢谢
04-19
焊锡外发加工,长单,每月20万条!
焊锡外发加工,长单,每月20万条!要在东莞、深圳周围的,能焊typen-c头漆包线,同时欢迎上门焊
04-18
贴片插件组装外发加工,此单4600套!
贴片插件组装外发加工,此单4600套!充电头产品的贴片插件组装加工厂,急单物料已经齐套,周一
04-17
急需上门焊锡人员,100000套!
急需上门焊锡人员,100000套!地址:东莞
04-17
急要十几个人,可以连续干3个月!
急要十几个人,可以连续干3个月!地址:东莞塘厦,跟线焊,第一周压两天日结,0.03一个点,包吃包住
04-17
查看更多
小贴士:本页信息由用户及第三方发布,真实性、合法性由发布人负责,请仔细甄别。
相关分类
电子外发加工
注塑外发加工
印刷印花外喷涂发加工
手工活外发
平车服装箱包外发加工
机械外发加工
饰品工艺品外发加工
采购信息