欢迎来到电子微帮帮!
保存到桌面
快速发布信息
修改/删除信息
手机浏览
免费发布信息
信息
商家
资讯
商品
信息分类
外发加工
电子外发加工
注塑外发加工
印刷印花外喷涂发加工
手工活外发
平车服装箱包外发加工
机械外发加工
饰品工艺品外发加工
采购信息
承接加工
承接电子加工
承接注塑加工
承接印刷印花喷涂加工
承接手工活加工
承接平车服装箱包加工
承接饰品工艺品加工
承接机械加工
出售
转让出售
工厂转让
设备转让
产品出售
房屋出租
房屋出租
厂房出租
求租房屋
库存信息
收库存
卖库存
首页
外发加工
承接加工
开通会员
微信访问
资讯
当前位置:
电子微帮帮
>
外发加工
>
电子外发加工
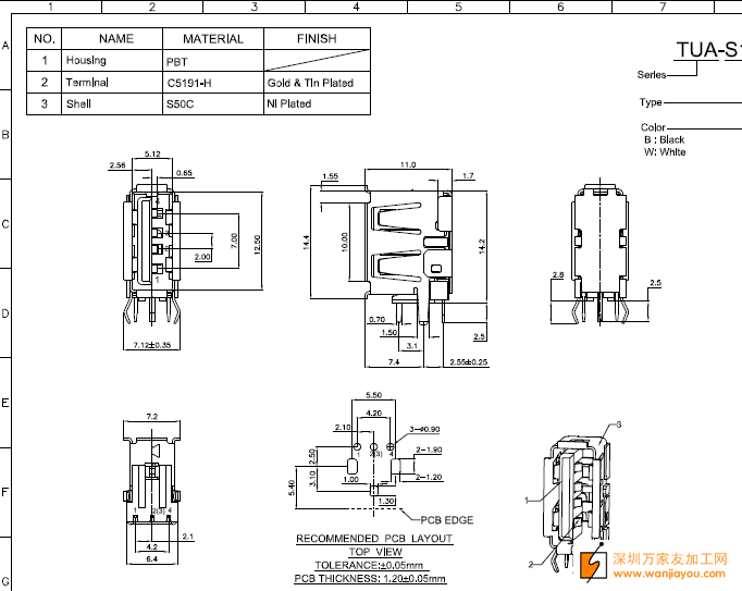
如图图纸的产品寻找做的加工厂
分享
|
2015-07-17 10:53:44发布
次浏览
信息编号:18222
置顶
收藏
|
删除
|
修改
|
举报
|
地址:
宝安区
该信息联系方式已被隐藏,登录后可查看!
信息详情
如图图纸的产品寻找做的加工厂,有意者请联系我详谈!
联系我时,请说是在电子微帮帮看到的,谢谢!
您可能感兴趣
外发:伸缩线模组组装,每月200000个!
外发:伸缩线模组组装,每月200000个!必需有本产品相关经验,长单,限深圳、东莞
02-28
后焊外发, 每天30000套!
后焊外发,每天30000套!万江、厚街附近的后焊厂优先
02-27
外发焊锡,每个月6万块钱货款左右!
外发焊锡,每个月6万块钱货款左右!长安新安的优先,长期合作
02-27
承接 电子产品 加工/ 焊接/组装/测试
PCB/元器件采购/PCBA贴片加工/成品组装/测试。也可上门焊接。
02-25
蓝牙音响组装外发,每个月100万!
蓝牙音响组装外发,每个月100万!可以长期合作
02-23
蓝牙音箱外发加工,能做到1月12日!
蓝牙音箱外发加工,能做到1月12日!需要加工厂,产线有15人以上即可配合,急单,凤岗最好,有意者
02-02
查看更多
小贴士:本页信息由用户及第三方发布,真实性、合法性由发布人负责,请仔细甄别。
相关分类
电子外发加工
注塑外发加工
印刷印花外喷涂发加工
手工活外发
平车服装箱包外发加工
机械外发加工
饰品工艺品外发加工
采购信息