欢迎来到电子微帮帮!
保存到桌面
快速发布信息
修改/删除信息
手机浏览
免费发布信息
信息
商家
资讯
商品
信息分类
外发加工
电子外发加工
注塑外发加工
印刷印花外喷涂发加工
手工活外发
平车服装箱包外发加工
机械外发加工
饰品工艺品外发加工
采购信息
承接加工
承接电子加工
承接注塑加工
承接印刷印花喷涂加工
承接手工活加工
承接平车服装箱包加工
承接饰品工艺品加工
承接机械加工
出售
转让出售
工厂转让
设备转让
产品出售
房屋出租
房屋出租
厂房出租
求租房屋
库存信息
收库存
卖库存
首页
外发加工
承接加工
开通会员
微信访问
资讯
当前位置:
电子微帮帮
>
外发加工
>
电子外发加工
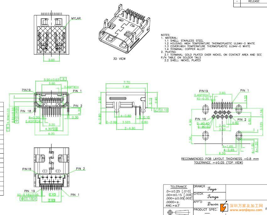
图档中MlCRO HDMl/脚要前扦后贴的有货外发
分享
|
2015-07-13 16:15:20发布
次浏览
信息编号:18054
置顶
收藏
|
删除
|
修改
|
举报
|
地址:
宝安区
该信息联系方式已被隐藏,登录后可查看!
信息详情
图档中MlCRO HDMl/脚要前扦后贴的有货外发
敬请致电深圳市天誉电子科技有限公司
联系我时,请说是在电子微帮帮看到的,谢谢!
您可能感兴趣
维修外发:PD充电器板子维修、长期有!
维修外发:PD充电器板子维修、长期有!深圳、东莞的都可以,工厂在广西
01-08
加工外发:数量5000套!
加工外发:数量5000套!孔的大小变大加工,要求龙华大浪附近
01-08
外发焊电子线,每个月有10万个焊点
外发焊电子线,每个月有10万个焊点,龙岗区的联系,长期有单
01-08
pcb板换8角IC,数量5000套,上门外发都可以!
pcb板换8角IC,数量5000套,上门外发都可以!地址长安夏取下来换到另一张板上,有意者请联系
01-08
外发加工:需要薄膜曲面贴合设备商或加工厂!
外发加工:需要薄膜曲面贴合设备商或加工厂!深圳附近最好,有认识的求推荐,微信联系
01-08
维修外发:高速吹风机功能维修,长期有!
维修外发:高速吹风机功能维修,长期有!地址龙华浪口工业区,可上门可外发,有做的联系我微信
01-08
查看更多
小贴士:本页信息由用户及第三方发布,真实性、合法性由发布人负责,请仔细甄别。
相关分类
电子外发加工
注塑外发加工
印刷印花外喷涂发加工
手工活外发
平车服装箱包外发加工
机械外发加工
饰品工艺品外发加工
采购信息