欢迎来到电子微帮帮!
保存到桌面
快速发布信息
修改/删除信息
手机浏览
免费发布信息
信息
商家
资讯
商品
信息分类
外发加工
电子外发加工
注塑外发加工
印刷印花外喷涂发加工
手工活外发
平车服装箱包外发加工
机械外发加工
饰品工艺品外发加工
采购信息
承接加工
承接电子加工
承接注塑加工
承接印刷印花喷涂加工
承接手工活加工
承接平车服装箱包加工
承接饰品工艺品加工
承接机械加工
出售
转让出售
工厂转让
设备转让
产品出售
房屋出租
房屋出租
厂房出租
求租房屋
库存信息
收库存
卖库存
首页
外发加工
承接加工
开通会员
微信访问
资讯
当前位置:
电子微帮帮
>
外发加工
>
电子外发加工
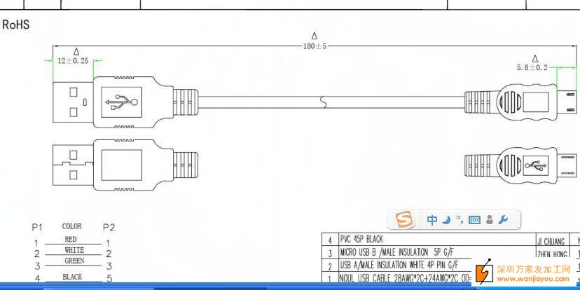
现有如图图纸线的货外发
分享
|
2015-07-06 19:06:34发布
次浏览
信息编号:17694
置顶
收藏
|
删除
|
修改
|
举报
|
地址:
宝安区
该信息联系方式已被隐藏,登录后可查看!
信息详情
现有如图图纸线的货外发,有能做的线材加工厂请联系我详谈!
联系我时,请说是在电子微帮帮看到的,谢谢!
您可能感兴趣
急需上门焊锡团队,此单50000套,后面会有很多!
急需上门焊锡团队,此单50000套,后面会有很多!价格面谈!地址长安下岗
10-25
定子绕线外发加工,每天需求5000套!
定子绕线外发加工,每天需求5000套!东莞深圳惠州能做的请联系我
10-24
大量手工外发,最好能驻场,或长期做!
大量手工外发,最好能驻场,或长期做!东莞长安乌沙附近,简单贴布,有靠谱的团队也可长期合作,有
10-24
换料单,总量60000个!
换料单,总量60000个!公明需要10换黄色圈里的芯片,电阻,有技术的请联系
10-24
焊锡外发,点焊2分5一个点,量大周结!
焊锡外发,点焊2分5一个点,量大周结!地址:东莞长安新农村,有意者请联系我微信
10-24
寻找贴片厂,先做好样板!
寻找贴片厂,先做好样板!我们会提供图纸测试没问题再做大货,总共有80套这几个,每个30套
10-24
查看更多
小贴士:本页信息由用户及第三方发布,真实性、合法性由发布人负责,请仔细甄别。
相关分类
电子外发加工
注塑外发加工
印刷印花外喷涂发加工
手工活外发
平车服装箱包外发加工
机械外发加工
饰品工艺品外发加工
采购信息