欢迎来到电子微帮帮!
保存到桌面
快速发布信息
修改/删除信息
手机浏览
免费发布信息
信息
商家
资讯
商品
信息分类
外发加工
电子外发加工
注塑外发加工
印刷印花外喷涂发加工
手工活外发
平车服装箱包外发加工
机械外发加工
饰品工艺品外发加工
采购信息
承接加工
承接电子加工
承接注塑加工
承接印刷印花喷涂加工
承接手工活加工
承接平车服装箱包加工
承接饰品工艺品加工
承接机械加工
出售
转让出售
工厂转让
设备转让
产品出售
房屋出租
房屋出租
厂房出租
求租房屋
库存信息
收库存
卖库存
首页
外发加工
承接加工
开通会员
微信访问
资讯
当前位置:
电子微帮帮
>
外发加工
>
电子外发加工
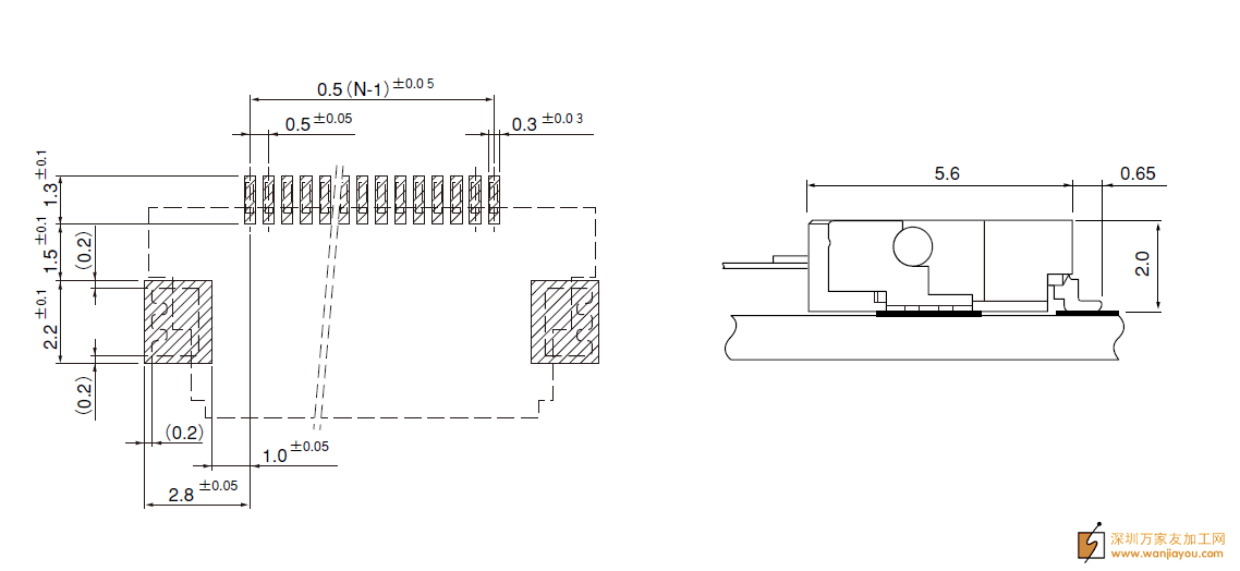
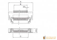
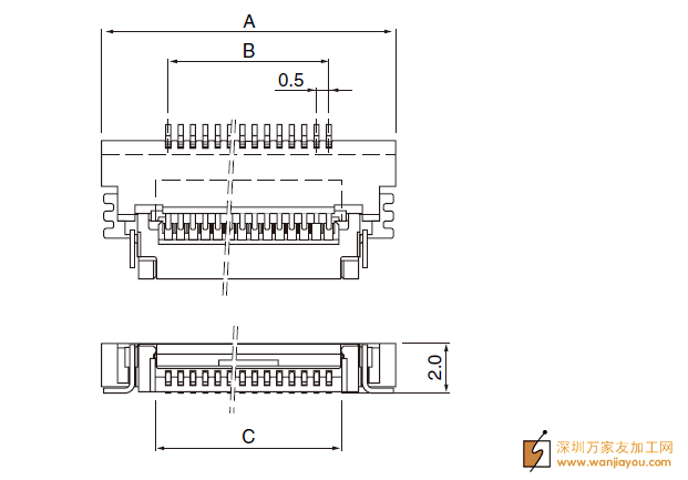
本厂有如图产品的货外发
分享
|
2015-07-01 16:34:44发布
次浏览
信息编号:17382
置顶
收藏
|
删除
|
修改
|
举报
|
地址:
宝安区
该信息联系方式已被隐藏,登录后可查看!
信息详情
本厂有如图产品的货外发,有做的加工厂请联系我
联系我时,请说是在电子微帮帮看到的,谢谢!
您可能感兴趣
能打这种端子的工厂请联系,有产品要打样!
能打这种端子的工厂请联系,有产品要打样!东莞附近的请联系
01-03
焊锡外发:25000条线!
焊锡外发:25000条线!焊7个点,当月结,地址东莞长安直接打电话,当月结货款,不闲聊
01-03
有时间焊锡的私聊,限惠州秋长镇新塘村附近的!
有时间焊锡的私聊,限惠州秋长镇新塘村附近的!远的勿扰
01-03
无线充类线圈产品,长期合作!
无线充类线圈产品,长期合作!限东莞石碣镇附近电子加工厂
01-03
折叠风扇外发加工:30000套!
折叠风扇外发加工:30000套!惠州秋长新塘村附近有时间加工的私聊
01-02
电子美容仪组装外发,每个月都有5000-10000套!
电子美容仪组装外发,每个月都有5000-10000套!我司在东莞长安,需要找电子美容仪产品组装合
01-02
查看更多
小贴士:本页信息由用户及第三方发布,真实性、合法性由发布人负责,请仔细甄别。
相关分类
电子外发加工
注塑外发加工
印刷印花外喷涂发加工
手工活外发
平车服装箱包外发加工
机械外发加工
饰品工艺品外发加工
采购信息