欢迎来到电子微帮帮!
保存到桌面
快速发布信息
修改/删除信息
手机浏览
免费发布信息
信息
商家
资讯
商品
信息分类
外发加工
电子外发加工
注塑外发加工
印刷印花外喷涂发加工
手工活外发
平车服装箱包外发加工
机械外发加工
饰品工艺品外发加工
采购信息
承接加工
承接电子加工
承接注塑加工
承接印刷印花喷涂加工
承接手工活加工
承接平车服装箱包加工
承接饰品工艺品加工
承接机械加工
出售
转让出售
工厂转让
设备转让
产品出售
房屋出租
房屋出租
厂房出租
求租房屋
库存信息
收库存
卖库存
首页
外发加工
承接加工
开通会员
微信访问
资讯
当前位置:
电子微帮帮
>
外发加工
>
电子外发加工
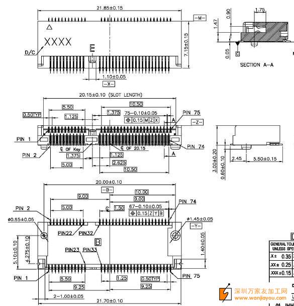
如图图纸有货外发,月需求50K
分享
|
2015-06-25 11:23:42发布
次浏览
信息编号:16982
置顶
收藏
|
删除
|
修改
|
举报
|
地址:
宝安区
该信息联系方式已被隐藏,登录后可查看!
信息详情
如图图纸有货外发,月需求50K,有意做的加工厂请联系我
联系我时,请说是在电子微帮帮看到的,谢谢!
您可能感兴趣
变压器外发加工,地址不限!
变压器外发加工,地址不限!我司提供材料,他们负责加工,我们是有多款,主要还要沟通后才行,要做
10-27
找AI插件.贴片.后焊一体工厂,有合作!
找AI插件.贴片.后焊一体工厂,有合作!要求工厂9001认证,150人以上!8000-10000套,板子元器件30
10-27
急需4-6人上门换顶针,100000个!
急需4-6人上门换顶针,100000个!地址福永,有意者请联系
10-26
后焊外发,有6000套!
后焊外发,有6000套!最好在福永塘尾,和平也可以,
10-26
焊锡外发,订单量大!
焊锡外发,订单量大!发货地址兴宁市区,望江,龙田,合水岗背,其他远地方不发货
10-26
急需上门焊锡团队,此单50000套,后面会有很多!
急需上门焊锡团队,此单50000套,后面会有很多!价格面谈!地址长安下岗
10-25
查看更多
小贴士:本页信息由用户及第三方发布,真实性、合法性由发布人负责,请仔细甄别。
相关分类
电子外发加工
注塑外发加工
印刷印花外喷涂发加工
手工活外发
平车服装箱包外发加工
机械外发加工
饰品工艺品外发加工
采购信息