欢迎来到电子微帮帮!
保存到桌面
快速发布信息
修改/删除信息
手机浏览
免费发布信息
信息
商家
资讯
商品
信息分类
外发加工
电子外发加工
注塑外发加工
印刷印花外喷涂发加工
手工活外发
平车服装箱包外发加工
机械外发加工
饰品工艺品外发加工
采购信息
承接加工
承接电子加工
承接注塑加工
承接印刷印花喷涂加工
承接手工活加工
承接平车服装箱包加工
承接饰品工艺品加工
承接机械加工
出售
转让出售
工厂转让
设备转让
产品出售
房屋出租
房屋出租
厂房出租
求租房屋
库存信息
收库存
卖库存
首页
外发加工
承接加工
开通会员
微信访问
资讯
当前位置:
电子微帮帮
>
外发加工
>
电子外发加工
PIN针如图有货外发
分享
|
2015-06-03 14:24:23发布
次浏览
信息编号:15734
置顶
收藏
|
删除
|
修改
|
举报
|
地址:
宝安区
该信息联系方式已被隐藏,登录后可查看!
信息详情
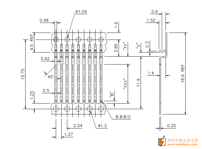
PIN针如图有货外发,有做的加工厂请联系我
联系我时,请说是在电子微帮帮看到的,谢谢!
您可能感兴趣
焊板子线,4分钱一个焊点,有意者请联系!
焊板子线,4分钱一个焊点,有意者请联系!要东莞市大岭山镇之内,有焊锡的可以联系我
10-30
换料单:拆换芯片,数量20000个!
换料单:拆换芯片,数量20000个!地址:广东省深圳市宝安区新沙路67号,明天有空的请联系
10-30
后焊组装外发加工,每个月800000套!
后焊组装外发加工,每个月800000套!有大量充电器外发加工!限中山,阳江,中山,佛山附近的后焊组
10-30
寻找专业焊锡外发点,有团队的联系我!
寻找专业焊锡外发点,有团队的联系我!地址东莞长安新安,加微信,加微信加微信,加微信,加微信私
10-30
外发加工:能加工如图耳机的请联系!
外发加工:能加工如图耳机的请联系!
10-30
两芯过粉线外发加工(长期外包),每个月800万条!
两芯过粉线外发加工(长期外包),每个月800万条!(日产能在30万条以上),货交深圳石岩,可以满足此
10-30
查看更多
小贴士:本页信息由用户及第三方发布,真实性、合法性由发布人负责,请仔细甄别。
相关分类
电子外发加工
注塑外发加工
印刷印花外喷涂发加工
手工活外发
平车服装箱包外发加工
机械外发加工
饰品工艺品外发加工
采购信息