欢迎来到电子微帮帮!
保存到桌面
快速发布信息
修改/删除信息
手机浏览
免费发布信息
信息
商家
资讯
商品
信息分类
外发加工
电子外发加工
注塑外发加工
印刷印花外喷涂发加工
手工活外发
平车服装箱包外发加工
机械外发加工
饰品工艺品外发加工
采购信息
承接加工
承接电子加工
承接注塑加工
承接印刷印花喷涂加工
承接手工活加工
承接平车服装箱包加工
承接饰品工艺品加工
承接机械加工
出售
转让出售
工厂转让
设备转让
产品出售
房屋出租
房屋出租
厂房出租
求租房屋
库存信息
收库存
卖库存
首页
外发加工
承接加工
开通会员
微信访问
资讯
当前位置:
电子微帮帮
>
外发加工
>
电子外发加工
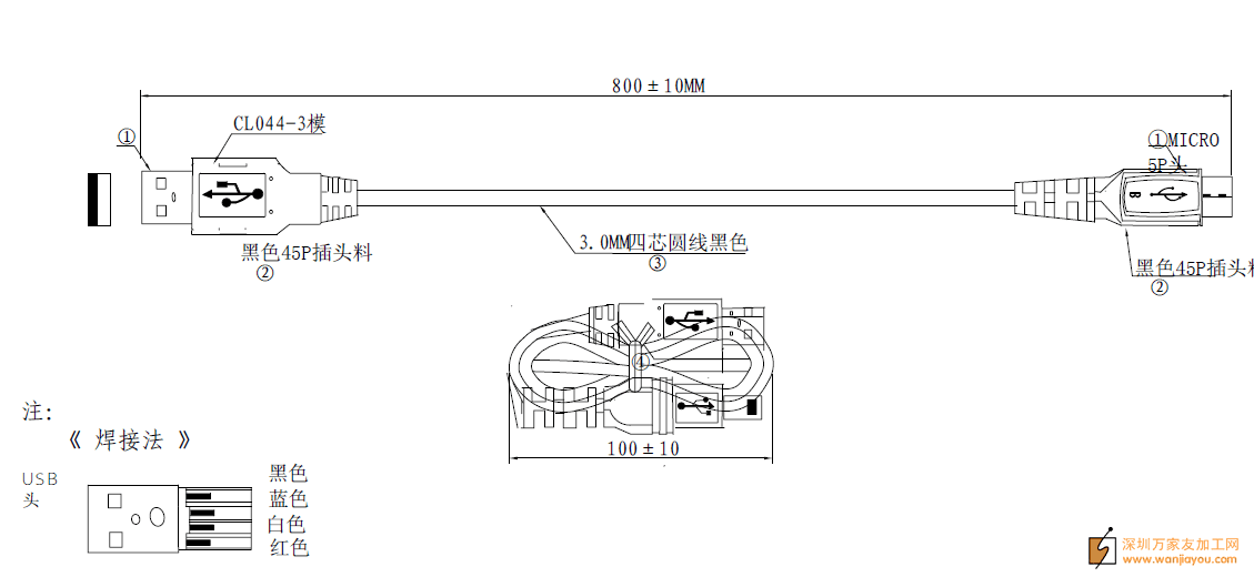
本厂有如图USB线材的货外发
分享
|
2015-05-20 17:09:11发布
次浏览
信息编号:15000
置顶
收藏
|
删除
|
修改
|
举报
|
地址:
宝安区
该信息联系方式已被隐藏,登录后可查看!
信息详情
本厂有如图USB线材的货外发,有做的线材加工厂请联系我
联系我时,请说是在电子微帮帮看到的,谢谢!
您可能感兴趣
打端子外发加工,每个月200k !
打端子外发加工,每个月200k!要可以手工打端子厂家,地址:深圳宝安西乡固戍
11-02
组装外发加工,18000pcs一年,需要自动化设备!
组装外发加工,18000pcs一年,需要自动化设备!需要找工厂组装罗森伯格连接器带线,需要自动化
11-02
大量油杯外发加工,团队和个人都可以!
大量油杯外发加工,团队和个人都可以!地址沙井共和
11-01
寻找插件厂家,有产品要过锡炉,数量10000个!
寻找插件厂家,有产品要过锡炉,数量10000个!环保的现金结款,这是治具的尺寸,限在固戍的远的
11-01
手工外发:外发前段做手工的,扭编织,去铝箔,装配!
手工外发:外发前段做手工的,扭编织,去铝箔,装配!有意者联系我,限固戍,想做的联系我微信
11-01
有做加工成型线材的工厂请联系,限福永附近!
有做加工成型线材的工厂请联系,限福永附近!
10-31
查看更多
小贴士:本页信息由用户及第三方发布,真实性、合法性由发布人负责,请仔细甄别。
相关分类
电子外发加工
注塑外发加工
印刷印花外喷涂发加工
手工活外发
平车服装箱包外发加工
机械外发加工
饰品工艺品外发加工
采购信息