欢迎来到电子微帮帮!
保存到桌面
快速发布信息
修改/删除信息
手机浏览
免费发布信息
信息
商家
资讯
商品
信息分类
外发加工
电子外发加工
注塑外发加工
印刷印花外喷涂发加工
手工活外发
平车服装箱包外发加工
机械外发加工
饰品工艺品外发加工
采购信息
承接加工
承接电子加工
承接注塑加工
承接印刷印花喷涂加工
承接手工活加工
承接平车服装箱包加工
承接饰品工艺品加工
承接机械加工
出售
转让出售
工厂转让
设备转让
产品出售
房屋出租
房屋出租
厂房出租
求租房屋
库存信息
收库存
卖库存
首页
外发加工
承接加工
开通会员
微信访问
资讯
当前位置:
电子微帮帮
>
外发加工
>
电子外发加工
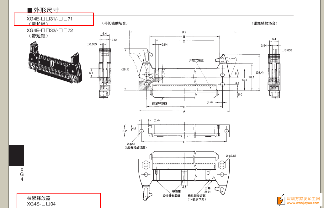
寻找做如图插件替代品的加工厂
分享
|
2015-05-18 10:01:29发布
次浏览
信息编号:14815
置顶
收藏
|
删除
|
修改
|
举报
|
地址:
宝安区
该信息联系方式已被隐藏,登录后可查看!
信息详情
寻找做如图插件替代品的加工厂,有意做的请联系我
联系我时,请说是在电子微帮帮看到的,谢谢!
您可能感兴趣
五金加工厂请联系,首单5K或者10K!
五金加工厂请联系,首单5K或者10K!类似这样的产品,需要定做款式,最好广东深圳的工厂,其他地
11-03
扎线外发加工,有意者请联系!
扎线外发加工,有意者请联系!如图,联系微信
11-03
物料编带加工厂请联系,30000套!
物料编带加工厂请联系,30000套!如图
11-03
寻找代加工厂,订单100000台音响!
寻找代加工厂,订单100000台音响!虎门有意的代工厂请联系
11-03
外发加工:限专业的焊接团队,长期稳定有活!
外发加工:限专业的焊接团队,长期稳定有活!东莞清溪附近的优先,电子产品,我有长期稳定的焊接
11-03
焊接外发加工,DVI焊接,每端焊5个地线!
焊接外发加工,DVI焊接,每端焊5个地线!地址:宝安新桥大围三路5号,有想做的请联系
11-03
查看更多
小贴士:本页信息由用户及第三方发布,真实性、合法性由发布人负责,请仔细甄别。
相关分类
电子外发加工
注塑外发加工
印刷印花外喷涂发加工
手工活外发
平车服装箱包外发加工
机械外发加工
饰品工艺品外发加工
采购信息