欢迎来到电子微帮帮!
保存到桌面
快速发布信息
修改/删除信息
手机浏览
免费发布信息
信息
商家
资讯
商品
信息分类
外发加工
电子外发加工
注塑外发加工
印刷印花外喷涂发加工
手工活外发
平车服装箱包外发加工
机械外发加工
饰品工艺品外发加工
采购信息
承接加工
承接电子加工
承接注塑加工
承接印刷印花喷涂加工
承接手工活加工
承接平车服装箱包加工
承接饰品工艺品加工
承接机械加工
出售
转让出售
工厂转让
设备转让
产品出售
房屋出租
房屋出租
厂房出租
求租房屋
库存信息
收库存
卖库存
首页
外发加工
承接加工
开通会员
微信访问
资讯
当前位置:
电子微帮帮
>
外发加工
>
电子外发加工
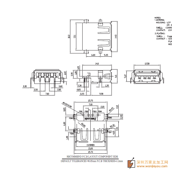
如图图纸有货外发
分享
|
2015-05-05 11:43:50发布
次浏览
信息编号:14048
置顶
收藏
|
删除
|
修改
|
举报
|
地址:
宝安区
该信息联系方式已被隐藏,登录后可查看!
信息详情
如图图纸有货外发,有做的加工厂请联系我
联系我时,请说是在电子微帮帮看到的,谢谢!
您可能感兴趣
模切单外发加工,每个月50-100万套!
模切单外发加工,每个月50-100万套!能加工的联系各位简单产品没有特殊要求因为是面板没有
11-04
后焊外发加工,量很大!
后焊外发加工,量很大!寻找福永附近后焊加工厂,要专业后焊厂,价格有优势的,有意者请联系我
11-04
焊锡外发加工,长期有量!
焊锡外发加工,长期有量!限长安新安附近几公里焊锡加工厂,有焊锡订单外发,单价不高,3分一个
11-04
SMT贴片外发加工,订单1130000套!
SMT贴片外发加工,订单1130000套!400个点110多种物料,四条线以下勿扰,双面板贴单面如图
11-04
上门到我工厂焊锡2个点,要专业的焊锡手数
上门到我工厂焊锡2个点,要专业的焊锡手数量35000个
11-04
加湿器组装外发,限龙岗凤岗附近得加工厂!
加湿器组装外发,限龙岗凤岗附近得加工厂!远了不用联系
11-03
查看更多
小贴士:本页信息由用户及第三方发布,真实性、合法性由发布人负责,请仔细甄别。
相关分类
电子外发加工
注塑外发加工
印刷印花外喷涂发加工
手工活外发
平车服装箱包外发加工
机械外发加工
饰品工艺品外发加工
采购信息