欢迎来到电子微帮帮!
保存到桌面
快速发布信息
修改/删除信息
手机浏览
免费发布信息
信息
商家
资讯
商品
信息分类
外发加工
电子外发加工
注塑外发加工
印刷印花外喷涂发加工
手工活外发
平车服装箱包外发加工
机械外发加工
饰品工艺品外发加工
采购信息
承接加工
承接电子加工
承接注塑加工
承接印刷印花喷涂加工
承接手工活加工
承接平车服装箱包加工
承接饰品工艺品加工
承接机械加工
出售
转让出售
工厂转让
设备转让
产品出售
房屋出租
房屋出租
厂房出租
求租房屋
库存信息
收库存
卖库存
首页
外发加工
承接加工
开通会员
微信访问
资讯
当前位置:
电子微帮帮
>
外发加工
>
电子外发加工
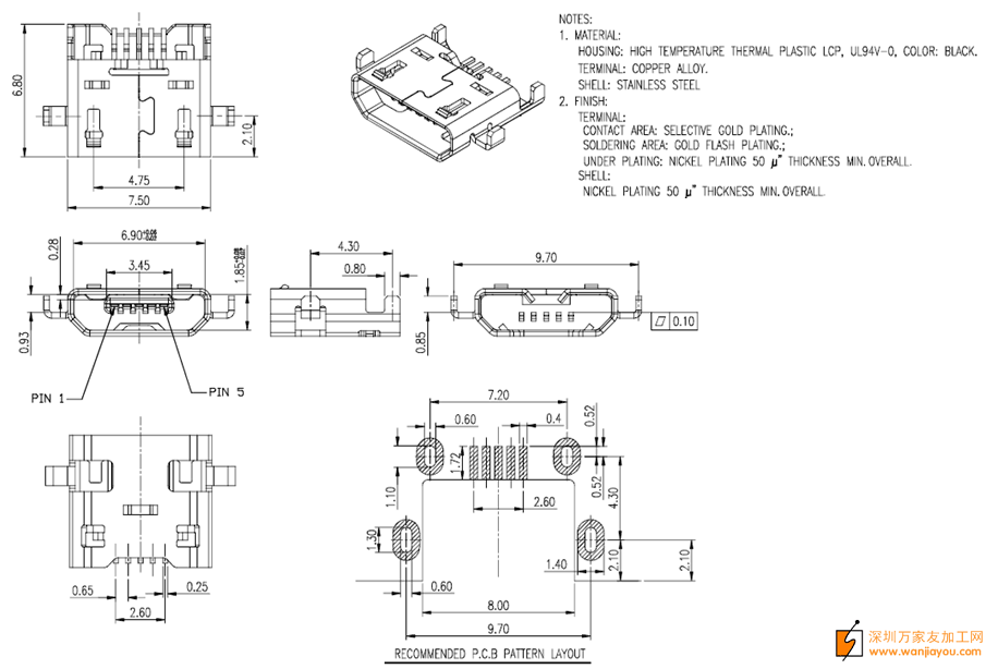
沉板micro usb如图有货外发
分享
|
2015-04-21 20:15:54发布
次浏览
信息编号:13306
置顶
收藏
|
删除
|
修改
|
举报
|
地址:
宝安区
该信息联系方式已被隐藏,登录后可查看!
信息详情
沉板micro usb如图有货外发,能配合LAYOUT 沉板的请联系我
联系我时,请说是在电子微帮帮看到的,谢谢!
您可能感兴趣
焊锡外发:0.24/条,单头(3分一个点),3000条!
焊锡外发:0.24/条,单头(3分一个点),3000条!外发的只能自提,快递不考虑,深圳龙华大浪上横朗百
11-05
外发加工:需要3D镭雕工厂,有产品外发!
外发加工:需要3D镭雕工厂,有产品外发!东莞周边的请联系
11-05
焊锡外发:每个月都有,量大!
焊锡外发:每个月都有,量大!限长安镇厦岗附近插件焊锡的,焊一个3脚电感,一个三极管,一个耳插,
11-05
沙井附近可以烧录MCU编带的请联系,有合作!
沙井附近可以烧录MCU编带的请联系,有合作!
11-05
移动电源外发加工,每天5000-10000套!
移动电源外发加工,每天5000-10000套!要求有老化房,东莞桥头镇附近的优先
11-05
打端子外发加工,合计80000条!
打端子外发加工,合计80000条!10单8万条,加工如图这个端子,是幺零零七二十四号线650长线。
11-05
查看更多
小贴士:本页信息由用户及第三方发布,真实性、合法性由发布人负责,请仔细甄别。
相关分类
电子外发加工
注塑外发加工
印刷印花外喷涂发加工
手工活外发
平车服装箱包外发加工
机械外发加工
饰品工艺品外发加工
采购信息