欢迎来到电子微帮帮!
保存到桌面
快速发布信息
修改/删除信息
手机浏览
免费发布信息
信息
商家
资讯
商品
信息分类
外发加工
电子外发加工
注塑外发加工
印刷印花外喷涂发加工
手工活外发
平车服装箱包外发加工
机械外发加工
饰品工艺品外发加工
采购信息
承接加工
承接电子加工
承接注塑加工
承接印刷印花喷涂加工
承接手工活加工
承接平车服装箱包加工
承接饰品工艺品加工
承接机械加工
出售
转让出售
工厂转让
设备转让
产品出售
房屋出租
房屋出租
厂房出租
求租房屋
库存信息
收库存
卖库存
首页
外发加工
承接加工
开通会员
微信访问
资讯
当前位置:
电子微帮帮
>
外发加工
>
电子外发加工
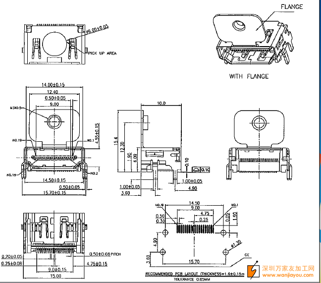
寻找如图三款加工厂
分享
|
2015-03-24 18:54:50发布
次浏览
信息编号:11607
置顶
收藏
|
删除
|
修改
|
举报
|
地址:
宝安区
该信息联系方式已被隐藏,登录后可查看!
信息详情
寻找如图三款加工厂,有货外发,有做的厂家请联系我
联系我时,请说是在电子微帮帮看到的,谢谢!
您可能感兴趣
能锻造长210mm×宽192mm×高40mm的铝合金件的联系
能锻造长210mm×宽192mm×高40mm的铝合金件的联系!一个月十几万个,采购外发加工都可以
11-07
中山有20000套产品,需要换两根线!
中山有20000套产品,需要换两根线!有意私聊,单价私聊。
11-07
手工外发,有70,000套!
手工外发,有70,000套!惠州秋长新塘村附近有时间做的私聊
11-07
蓝牙音箱组装外发,首单3000套,后续每月20000套左右!
蓝牙音箱组装外发,首单3000套,后续每月20000套左右!地址黄江,长安,大岭山,虎门的加工厂优先
11-07
简单电子产品外发加工,50000套!
简单电子产品外发加工,50000套!要求10人左右加工厂,最好是长安的加工厂
11-06
焊锡外发:充电器插脚焊接,长期合作!
焊锡外发:充电器插脚焊接,长期合作!地址龙岗宝龙,有焊接经验的来,有意者请联系我微信
11-06
查看更多
小贴士:本页信息由用户及第三方发布,真实性、合法性由发布人负责,请仔细甄别。
相关分类
电子外发加工
注塑外发加工
印刷印花外喷涂发加工
手工活外发
平车服装箱包外发加工
机械外发加工
饰品工艺品外发加工
采购信息