欢迎来到电子微帮帮!
保存到桌面
快速发布信息
修改/删除信息
手机浏览
免费发布信息
信息
商家
资讯
商品
信息分类
外发加工
电子外发加工
注塑外发加工
印刷印花外喷涂发加工
手工活外发
平车服装箱包外发加工
机械外发加工
饰品工艺品外发加工
采购信息
承接加工
承接电子加工
承接注塑加工
承接印刷印花喷涂加工
承接手工活加工
承接平车服装箱包加工
承接饰品工艺品加工
承接机械加工
出售
转让出售
工厂转让
设备转让
产品出售
房屋出租
房屋出租
厂房出租
求租房屋
库存信息
收库存
卖库存
首页
外发加工
承接加工
开通会员
微信访问
资讯
当前位置:
电子微帮帮
>
外发加工
>
采购信息
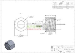
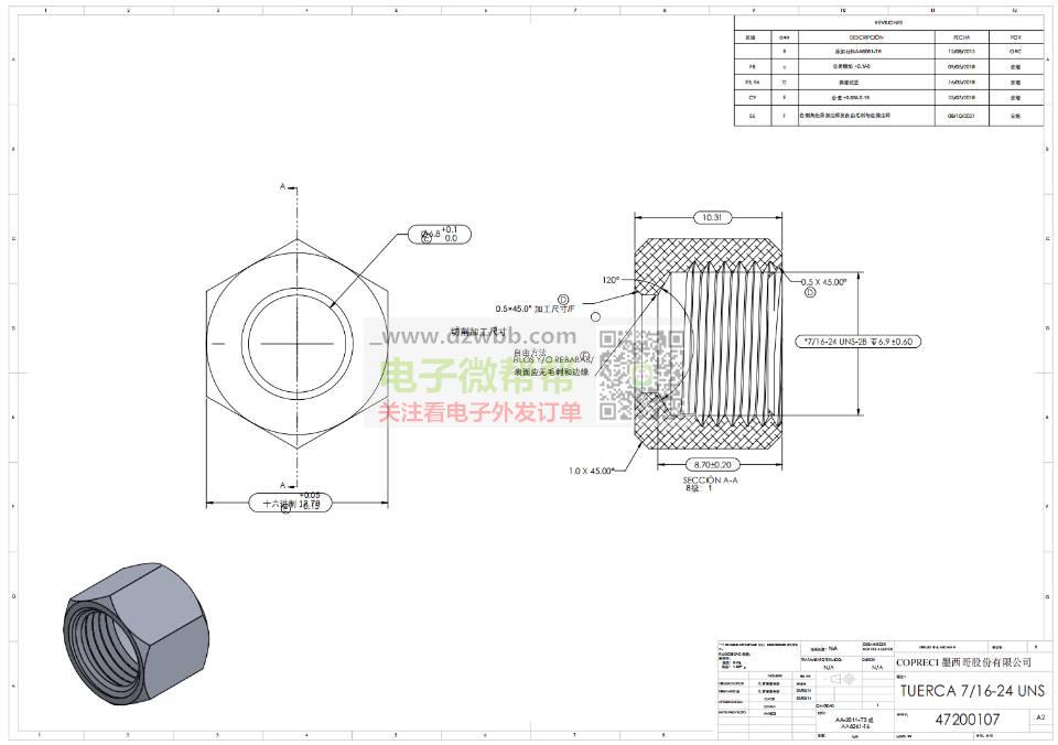
采购:4款六角形棒材(原材料)和紧固件(加工件)!
分享
|
2026-03-13 16:41:33发布
次浏览
信息编号:114556
置顶
收藏
|
删除
|
修改
|
举报
|
地址:
宝安区
该信息已过期,联系方式已被隐藏!
信息详情
采购:4款六角形棒材(原材料)和紧固件(加工件)!
规格见图纸,棒材和加工件数量材质见表格,出口墨西哥。要求:供应商有跟外贸公司合作和出口经验的,可以收美金且能报关,请优先按顺序报含报关FOB离岸美金价/人民币含税价,符合要求的生产厂家请+V:(非手机号,10位数),中间商勿扰。
联系我时,请说是在电子微帮帮看到的,谢谢!
您可能感兴趣
同款的支架数据线有做的工厂速联系,要5000条!
同款的支架数据线有做的工厂速联系,要5000条!
05-15
如图这个物料,急要10000套!
如图这个物料,急要10000套!有的请联系
05-15
数量:1000套,厂家请联系!
数量:1000套,厂家请联系!DHL牌狗用配件碗.Leash”(狗绳).“毯子”口水巾头巾/手围巾品牌标
05-15
接受开模具,要一模一样的,数量几十万条!
接受开模具,要一模一样的,数量几十万条!能做的私聊
05-15
木制挂钩游戏厂家请联系,要做过的工厂!
木制挂钩游戏厂家请联系,要做过的工厂!数量按照3000/5000套,无样品
05-15
能做这套五金的速联系,每月不低于10000套!
能做这套五金的速联系,每月不低于10000套!如图
05-15
查看更多
小贴士:本页信息由用户及第三方发布,真实性、合法性由发布人负责,请仔细甄别。
相关分类
电子外发加工
注塑外发加工
印刷印花外喷涂发加工
手工活外发
平车服装箱包外发加工
机械外发加工
饰品工艺品外发加工
采购信息