欢迎来到电子微帮帮!
保存到桌面
快速发布信息
修改/删除信息
手机浏览
免费发布信息
信息
商家
资讯
商品
信息分类
外发加工
电子外发加工
注塑外发加工
印刷印花外喷涂发加工
手工活外发
平车服装箱包外发加工
机械外发加工
饰品工艺品外发加工
采购信息
承接加工
承接电子加工
承接注塑加工
承接印刷印花喷涂加工
承接手工活加工
承接平车服装箱包加工
承接饰品工艺品加工
承接机械加工
出售
转让出售
工厂转让
设备转让
产品出售
房屋出租
房屋出租
厂房出租
求租房屋
库存信息
收库存
卖库存
首页
外发加工
承接加工
开通会员
微信访问
资讯
当前位置:
电子微帮帮
>
外发加工
>
电子外发加工
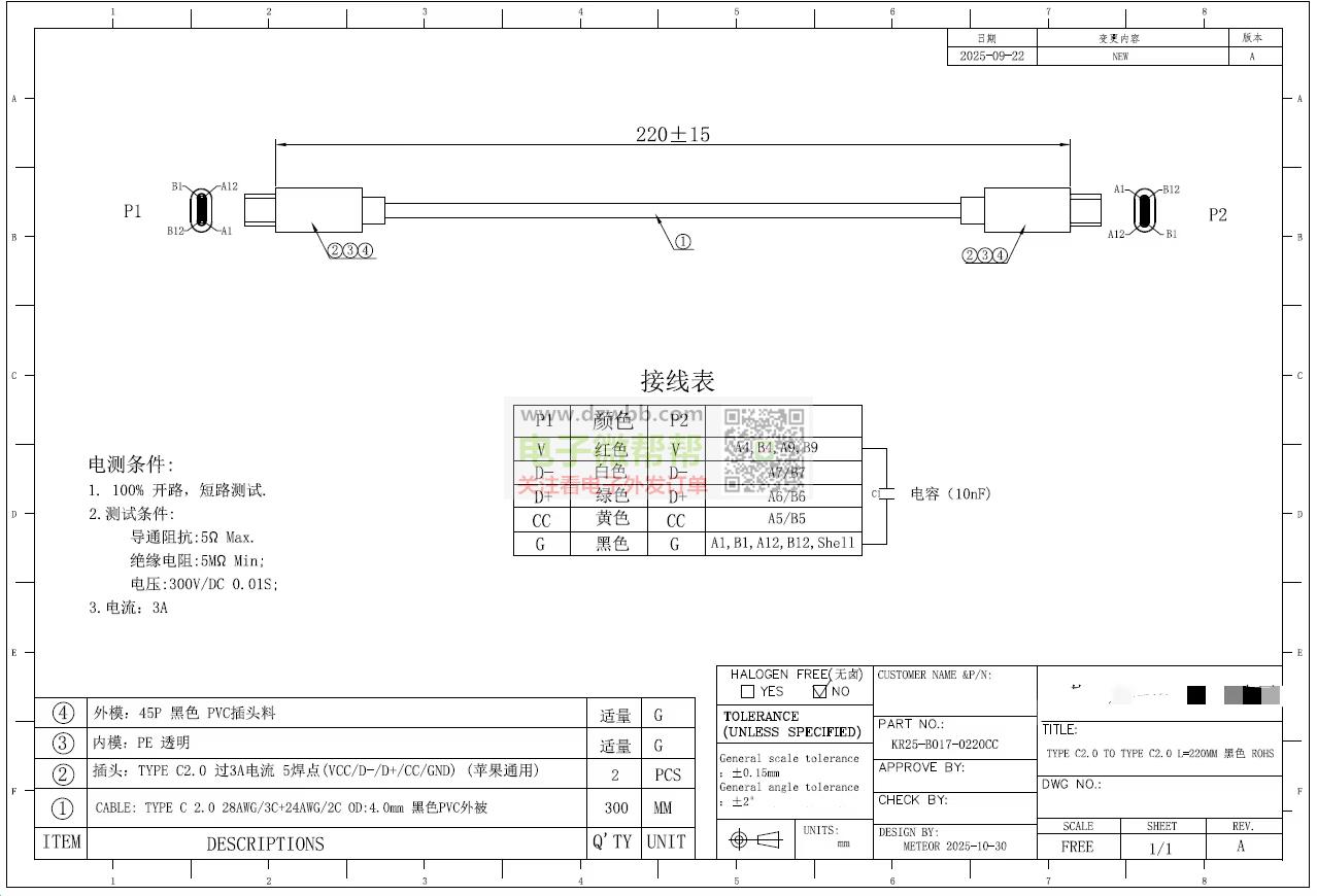
焊锡外发:每个月100000条!
分享
|
2026-01-21 08:10:31发布
次浏览
信息编号:114326
置顶
收藏
|
删除
|
修改
|
举报
|
地址:
宝安区
该信息已过期,联系方式已被隐藏!
信息详情
焊锡外发:每个月100000条!
联系我时,请说是在电子微帮帮看到的,谢谢!
您可能感兴趣
寻找加工厂,焊锡DB15p和PCB板!
寻找加工厂,焊锡DB15p和PCB板!每月都有,3000pcs*15个点,限深圳周边的
03-27
焊锡外发:可以承接手工焊TYPE-C和5
焊锡外发:可以承接手工焊TYPE-C和5,想做的请联系我微信
03-27
电子产品组装外发加工,长期有单!
电子产品组装外发加工,长期有单!凤岗,石鼓,天堂围这边的,远的勿扰
03-26
后焊外发(有铅),每个月20-30万!
后焊外发(有铅),每个月20-30万!有价格优势优先,非诚勿扰!谢谢,地址不限
03-26
焊锡外发,日结,100000套!
焊锡外发,日结,100000套!地址企石镇永发工业区
03-25
电子玩具后焊组装加工
组装厂只要焊6个焊点,测试组装。其他都已焊好。西乡固戍的工厂优先。
03-25
查看更多
小贴士:本页信息由用户及第三方发布,真实性、合法性由发布人负责,请仔细甄别。
相关分类
电子外发加工
注塑外发加工
印刷印花外喷涂发加工
手工活外发
平车服装箱包外发加工
机械外发加工
饰品工艺品外发加工
采购信息