欢迎来到电子微帮帮!
保存到桌面
快速发布信息
修改/删除信息
手机浏览
免费发布信息
信息
商家
资讯
商品
信息分类
外发加工
电子外发加工
注塑外发加工
印刷印花外喷涂发加工
手工活外发
平车服装箱包外发加工
机械外发加工
饰品工艺品外发加工
采购信息
承接加工
承接电子加工
承接注塑加工
承接印刷印花喷涂加工
承接手工活加工
承接平车服装箱包加工
承接饰品工艺品加工
承接机械加工
出售
转让出售
工厂转让
设备转让
产品出售
房屋出租
房屋出租
厂房出租
求租房屋
库存信息
收库存
卖库存
首页
外发加工
承接加工
开通会员
微信访问
资讯
当前位置:
电子微帮帮
>
外发加工
>
机械外发加工
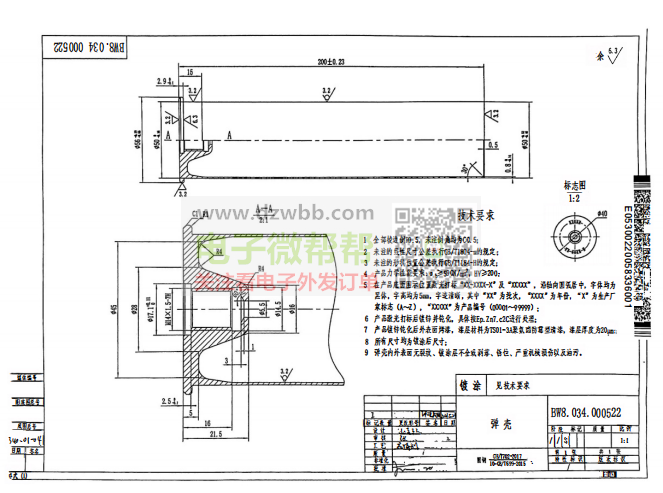
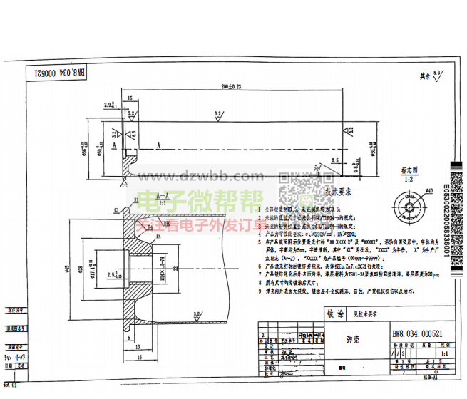
外发加工:两款壳体,数量每月各110000套!
分享
|
2025-11-29 13:21:02发布
次浏览
信息编号:113395
置顶
收藏
|
删除
|
修改
|
举报
|
地址:
宝安区
该信息联系方式已被隐藏,登录后可查看!
信息详情
外发加工:两款壳体,数量每月各110000套!要求广东精加工设备和检测设备相对齐全的厂家接单。 必须要大厂。小规模工厂不行。
联系我时,请说是在电子微帮帮看到的,谢谢!
您可能感兴趣
有三款铝材产品外发加工,每款10000套!
有三款铝材产品外发加工,每款10000套!加工地区不限
12-18
一手资源项目,没有中间费用,每月20000套!
一手资源项目,没有中间费用,每月20000套!能做的加工中心厂家,请尽快私信
12-14
有0.7模小齿轮需要外发加工,能做的厂家联系我!
有0.7模小齿轮需要外发加工,能做的厂家联系我!
12-08
滚牙外发加工,虎门长安附近能做的请联系!
滚牙外发加工,虎门长安附近能做的请联系!
12-06
如图这款产品外发加工: 每个月50000起量!
如图这款产品外发加工:每个月50000起量!这块项目很重要,而且市场需求量也很大,专找有五轴
12-02
寻找五轴以上的机加工中心厂家,每个月10000件,现金!
寻找五轴以上的机加工中心厂家,每个月10000件,现金!不赎账!做好就给
11-29
查看更多
小贴士:本页信息由用户及第三方发布,真实性、合法性由发布人负责,请仔细甄别。
相关分类
电子外发加工
注塑外发加工
印刷印花外喷涂发加工
手工活外发
平车服装箱包外发加工
机械外发加工
饰品工艺品外发加工
采购信息