HY华意品牌压缩机,数量各1整柜(20HQ)
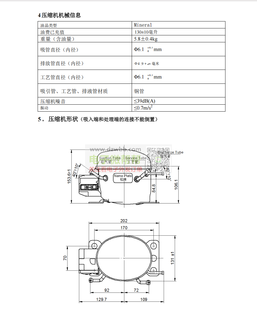
型号:HYB90MHUa和HYS113MCA,品牌:HY华意(中国),规格参数详见规格书,用于卧式冷柜,制冷剂是R134a。数量各1整柜(20HQ),全新原装,出口埃及。请优先按顺序报含报关FOB离岸美金价/人民币含税价/未税价,符合要求并感兴趣生产厂家请+V:(非手机号,10位数),中间商勿扰。
联系我时,请说是在电子微帮帮看到的,谢谢!










