欢迎来到电子微帮帮!
保存到桌面
快速发布信息
修改/删除信息
手机浏览
免费发布信息
信息
商家
资讯
商品
信息分类
外发加工
电子外发加工
注塑外发加工
印刷印花外喷涂发加工
手工活外发
平车服装箱包外发加工
机械外发加工
饰品工艺品外发加工
采购信息
承接加工
承接电子加工
承接注塑加工
承接印刷印花喷涂加工
承接手工活加工
承接平车服装箱包加工
承接饰品工艺品加工
承接机械加工
出售
转让出售
工厂转让
设备转让
产品出售
房屋出租
房屋出租
厂房出租
求租房屋
库存信息
收库存
卖库存
首页
外发加工
承接加工
开通会员
微信访问
资讯
当前位置:
电子微帮帮
>
外发加工
>
采购信息
磁吸弹簧针连接器,急购9000套!
分享
|
2025-10-24 08:24:04发布
次浏览
信息编号:112406
置顶
收藏
|
删除
|
修改
|
举报
|
地址:
宝安区
该信息已过期,联系方式已被隐藏!
信息详情
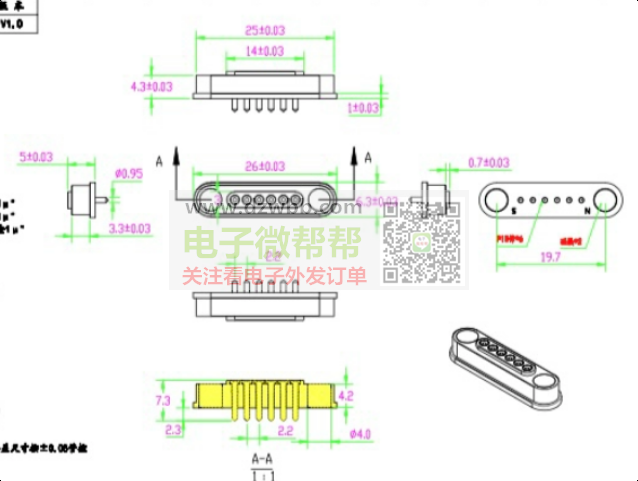
磁吸弹簧针连接器,急购9000套!6P/2.2间距, 防呆磁性,5V2A ,要工厂 ,不要贸易商
联系我时,请说是在电子微帮帮看到的,谢谢!
您可能感兴趣
连接器DVI母座锌合金材质外壳,用量100K/月!
连接器DVI母座锌合金材质外壳,用量100K/月!
02-07
数量都按20k ,求购如下所有产品!
数量都按20k,求购如下所有产品!富瀚FH8550M,索尼IMX662IMX335IMX678,瑞昱RTL8152B-VB-CGRT
02-07
急购:Camlock插座,俗称犀牛插头或插座!
急购:Camlock插座,俗称犀牛插头或插座!400A及以上 UL认证发货到惠州 研发阶段,单台数
02-04
黑色电池充电接口,各需100pcs
黑色电池充电接口,各需100pcs(带正负极标识),带充电接口,交货地:东莞含税
02-04
急购100000台,现金交易!
急购100000台,现金交易!如图,厂家请联系
02-04
带霍尔传感器直流电机厂家请联系,出口意大利!
带霍尔传感器直流电机厂家请联系,出口意大利!带霍尔传感器:MicronasHAL502UA-A,规格参数和
02-04
查看更多
小贴士:本页信息由用户及第三方发布,真实性、合法性由发布人负责,请仔细甄别。
相关分类
电子外发加工
注塑外发加工
印刷印花外喷涂发加工
手工活外发
平车服装箱包外发加工
机械外发加工
饰品工艺品外发加工
采购信息