欢迎来到电子微帮帮!
保存到桌面
快速发布信息
修改/删除信息
手机浏览
免费发布信息
信息
商家
资讯
商品
信息分类
外发加工
电子外发加工
注塑外发加工
印刷印花外喷涂发加工
手工活外发
平车服装箱包外发加工
机械外发加工
饰品工艺品外发加工
采购信息
承接加工
承接电子加工
承接注塑加工
承接印刷印花喷涂加工
承接手工活加工
承接平车服装箱包加工
承接饰品工艺品加工
承接机械加工
出售
转让出售
工厂转让
设备转让
产品出售
房屋出租
房屋出租
厂房出租
求租房屋
库存信息
收库存
卖库存
首页
外发加工
承接加工
开通会员
微信访问
资讯
当前位置:
电子微帮帮
>
外发加工
>
采购信息
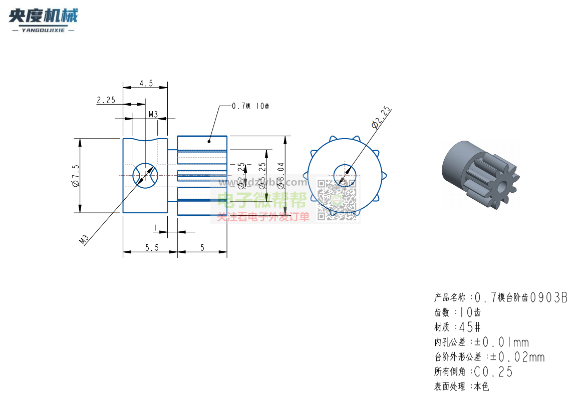
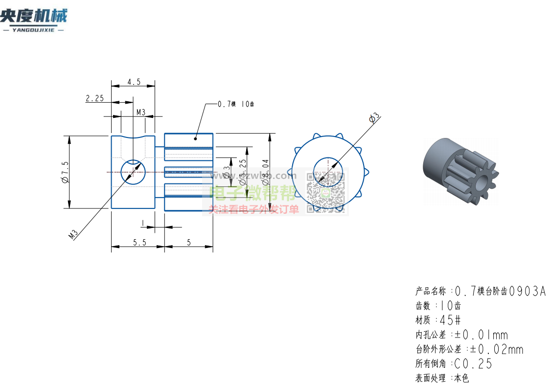
能加工小齿轮的厂家速来对接!3款每款各50000个
分享
|
2024-09-10 17:36:12发布
次浏览
信息编号:100457
置顶
收藏
|
删除
|
修改
|
举报
|
地址:
宝安区
该信息已过期,联系方式已被隐藏!
信息详情
能加工小齿轮的厂家速来对接!3款每款各50000个 ,如图所示
联系我时,请说是在电子微帮帮看到的,谢谢!
您可能感兴趣
苹果欧规端子,急要200000个!
苹果欧规端子,急要200000个!如图
01-14
急找越南北江纸箱.彩盒,珍珠棉厂家,有合作!
急找越南北江纸箱.彩盒,珍珠棉厂家,有合作!
01-14
找类似款式2000套首单,每月需求5K左右
找类似款式2000套首单,每月需求5K左右!
01-14
保温杯要一模一样的,数量按照客户图案起订量!
保温杯要一模一样的,数量按照客户图案起订量!优势厂家请联系
01-14
订单15000个,如图带时钟的蓝牙音响!
订单15000个,如图带时钟的蓝牙音响!厂家请联系
01-14
每个月1000条左右, 如图快充数据线!
每个月1000条左右,如图快充数据线!快充typec单头线公头两芯充电线tpc电源线母头4芯2.0数
01-14
查看更多
小贴士:本页信息由用户及第三方发布,真实性、合法性由发布人负责,请仔细甄别。
相关分类
电子外发加工
注塑外发加工
印刷印花外喷涂发加工
手工活外发
平车服装箱包外发加工
机械外发加工
饰品工艺品外发加工
采购信息